矿山物料提升机
作者 奥创机械
来源 奥创机械
浏览
发布时间 18/05/22

物料提升机
应用行业:矿山、煤炭、冶炼、建材、耐火材料、轻工、化工
适用物料:适用各种物料
价格区间:1000元-50万之间 处理能力:0.5-200 t/h
物料提升机简介
奥创机械生产的物料提升机不是建筑行业电梯式提升机,是专门针对矿山、煤炭、冶炼、建材、耐火材料、轻工、化工等,大中小块物料连续垂直提升处理,使用方便,造价便宜,是多数厂家必选提升机械。
奥创物料提升机有多种形式,螺旋提升、斗式提升、带式提升、链板提升,我们的工程师可根据客户需求,设计出最适合您使用的提升机,欢迎你来电咨询。
奥创物料提升机安全规程
1、提升机由指定人员进行维护和管理,电源开关箱的钥匙由指定人员管理。
2、提升机必须有卷扬限制器和行程限位器,限制器应使滑轮在提升到距离卷筒或滑轮300mm以前时能自动停止。动作灵敏可靠,并进行试吊。
3、提升机应有最大负荷标志,在提升、降落时重量不许超负荷(1T)。
4、送电后,检查卷扬限制器、行程限位器、联锁开关等安全装置
5、起吊、降落前,鸣铃示警后,方可开车。
6、提升机决对不允许载人上、下。
7、工作完后,提升机吊盘应落地,然后切断电源,关好上下护栏门。
8、经常保持提升机周围环境卫生。
奥创物料提升机注意事项
1、应空负荷开车。所以每次停机前应排尽所有料斗内的物料,然后再停车。
2、不能倒转。倒转即可能发生链条脱轨现象,排除脱轨故障很麻烦。
3、均匀喂料。禁止突然增大喂料量。喂料量不能超过提升机的输送能力。否则容易造成底部的物料堆积严重时发生“闷车”事故。
4、及时适量补充润滑油。
5、链条和料斗严重磨损或损坏时应及时更换。
物料提升机型号参数
斗式提升机型号参数:NE\TD\GTD\HL\TB等型号
| 型号 |
最大给料粒度mm |
料斗 |
提升高度m |
最大提升能力 (立方米/h) |
电动机功率 提升机重量 |
| 斗距mm |
宽度MM |
容量L |
| TB250 |
90 |
200 |
250 |
3 |
5-40 |
25 |
按具体的垂直斗式提升机订货总图核计确定 |
| TB315 |
100 |
200 |
315 |
6 |
46 |
| TB400 |
110 |
250 |
400 |
12 |
75 |
| TB500 |
130 |
320 |
500 |
25 |
95 |
| TB630 |
150 |
400 |
630 |
50 |
148 |
|
注:表中最大输送能力是按填充系数ψ-0.8计算得出的,仅供参考。
|
螺旋提升机型号参数:GX\ls等型号
| 规 格 |
主要技术性能 |
驱动装置 |
驱动装置 |
重量
(kg) |
| 直径 |
长度
(m) |
产量
(水泥)
t/h |
转速
min-1 |
减速机 |
电动机 |
| 型号 |
速比 |
型号 |
功率
(kw) |
| GX200 |
-10 |
9 |
60 |
JZQ250 |
23.34 |
Y90S-4 |
1.1 |
726 |
| GX200 |
-20 |
9 |
60 |
JZQ250 |
23.34 |
Y90L-4 |
1.5 |
1258 |
| GX250 |
-10 |
15.6 |
60 |
JZQ250 |
23.34 |
Y100L2-4 |
2.2 |
960 |
| GX250 |
-20 |
15.6 |
60 |
JZQ250 |
23.34 |
Y100L1-4 |
3 |
1750 |
| GX300 |
-10 |
21.2 |
60 |
JZQ350 |
23.34 |
Y100L2-4 |
3 |
1373 |
| GX300 |
-20 |
21.2 |
60 |
JZQ350 |
23.34 |
Y112M-4 |
4 |
2346 |
| GX400 |
-10 |
51 |
60 |
JZQ400 |
23.34 |
Y132S-4 |
5.5 |
1911 |
| GX400 |
-20 |
51 |
60 |
JZQ500 |
23.34 |
Y160M-4 |
11 |
2049 |
| GX500 |
-10 |
87.5 |
60 |
JZQ400 |
23.34 |
Y132M-4 |
7.5 |
2381 |
| GX500 |
-20 |
87.5 |
60 |
JZQ650 |
23.34 |
Y180M-4 |
18.5 |
5389 |
| GX600 |
-10 |
134.2 |
45 |
JZQ750 |
23.34 |
Y180L-4 |
22 |
3880 |
| GX600 |
-10 |
134.2 |
45 |
JZQ850 |
23.34 |
Y250M-4 |
55 |
7090 |
垂直振动式提升机型号参数:
| 型号 |
输送量
(t/h) |
输送槽直径
(mm) |
输送宽度
(mm) |
输送高度
(m) |
振次
(min) |
双振幅
(mm) |
电动功率
(kw) |
重量
(kg) |
| DZC300 |
~1.0 |
300 |
77 |
≤2.0 |
960 |
6~7 |
2×0.4 |
680 |
| DZC500 |
~2.0 |
500 |
140 |
≤3.0 |
6~8 |
2×0.75 |
1010 |
| DZC550 |
~3.0 |
550 |
152 |
≤3.5 |
6~8 |
2×1.5 |
1190 |
| DZC600 |
~3.0 |
600 |
163 |
≤4.0 |
6~7 |
2×1.5 |
13210 |
| DZC800 |
~4.0 |
800 |
224 |
≤4.5 |
6~8 |
2×2.2 |
1590 |
| DZC850 |
~4.0 |
850 |
224 |
≤5.0 |
6~9 |
2×2.2 |
1750 |
| DZC900 |
~3.5 |
900 |
185 |
≤6.0 |
6~9 |
2×3.0 |
2100 |
物料提升机工作原理

物料提升机结构图纸
带式物料提升机结构图纸

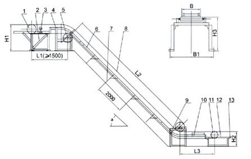
Z型物料提升机结构图

垂直式物料提升机结构图

斗式物料提升机结构图

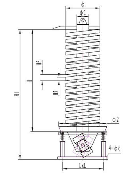
螺旋式物料提升机结构图

物料提升机图片大全


挖斗提升机厂家
河南奥创斗式提升机厂家是一家以物料提升机研发生产为主要营业范围的厂家,可为粉末、冶金、化工、医药、矿山、建材、玻璃、食品、涂料、陶瓷、煤炭、石英砂等求购斗式提升机的厂家根据物料属性提供垂直、皮带、环链、板链斗式提升机的行业解决方案,其中包括斗式提升机结构图纸绘画、价格计算、厂家真机图片展示,及到厂实地考察接待,欢迎实地考察!
订购网址请登录河南奥创机械有限公司官方网站: netmop.com 24小时服务热线:13353676726
了解更多有关矿山物料提升机的信息收藏我们的信息:netmop.com 联系人:杜谦 15537338466 |